Pallo- ja pistorasialiittimet ovat yleisin tyyppiErikoisliittimetvoimalinjojen eristesarjoissa. Niitä käytetään pääasiassa yhdistämiseen ja yhdistämiseenpallo{0}}ja-hylsytyyppiset ripustuseristeet. Koska ne vaikuttavat suoraan eristenauhan luotettavuuteen ja turvallisuuteen, niitä pidetään a"kriittinen pieni komponentti ja suuri riskikohta"suunnittelun valinnassa, paikan päällä{0}}asennuksessa sekä käyttö- ja kunnossapitotarkastuksessa.

Mitä ovat pallo- ja pistorasialiittimet?
Pallo- ja pistorasialiittimet ovat erityisiä liitosliittimiä, joita käytetään erityisesti yhdistämiseenpallo{0}}ja-hylsytyyppiset ripustuseristeet. Tyypillinen sovitusrakenne onpallopää ↔ kantapää, ja luotettava lukitus saavutetaan alukitustappi. Niiden rakenteen ja liitosmittojen on vastattava eristimen pallo-ja-hylsyn rakennetta, jotta asennuksen jälkeen ne voivat pyöriä joustavasti kuormituksen alaisena, kantaa voimaa tasaisesti, eivät jumiudu eivätkä putoa.
Niitä käytetään yleisesti mmilmavirtajohtoja, jakelulinjat, sähköasemia, jagroove{0}}tyyppisiä yhteysskenaarioita.
Pallo- ja hylsyliittimien yleiset luokitukset
Lukitustappi
Lukitustappia kutsutaan myös jousitappiksi. Sen massa on vain1/250eristimestä, mutta jos eristenauha asennetaan ilman lukitustappia tai laatu on epäpätevä tai se on asennettu väärin, aiheutuvat häviöt ovat mittaamattomia.
Lukitustappityyppejä ovat mmW-kirjoita nastatjaR-tyyppiset nastat, ja ne on enimmäkseen valmistettu kuparimateriaalista, joilla on hyvä elastisuus ja korroosionkestävyys, ja ne on helppo koota ja purkaa.

(a) W-nasta; (b) R-nasta
Ura{0}}tyyppisen liitoksen rakenteessa asylinterimäinen tappion käytössä, ja se on lukittu joko asokka(kuuma-sinkitty pinta) tai akamelin selkäpinta(valmistettu kuparista).
XP-sarjan eristeille:
varten160 kN luokka ja alle, käytäW-tyyppi push-pull pins
varten210 kN luokka ja enemmän, käytäR-tyyppi push-pull tapit
Push{0}}pull-tappien ominaisuus on, että eristettä ladattaessa/purkaessasi sinun tarvitsee vain vetää tappi ulos tapin reiästä (joka roikkuu edelleen teräskannen kannassa) ja työntää se sisään irrottamatta sitä. Se voidaan ajaa uudelleen

Kaavio, joka näyttää W-- tai R--tyypin jousitappien sijainnit lukittuna ja lukitsemattomana
Suljetut -pään tapit, joita käytetään pultti-pyrstöliittimiin, on enimmäkseen valmistettu kuparista tai ruostumattomasta teräksestä. Niiden ominaisuus on, että kun suljettu -päätytappi on työnnetty reikään, se avautuu automaattisesti ilman, että häntää tarvitsee taivuttaa 45 astetta. Se on helpompi vetää ulos tapin reiästä, se toimii luotettavasti ja on joustava linjan-lataukseen/purkuun.
Lukitusnastan valintapikataulukko
| Eristin / kuormitusluokka | Suositeltu lukitustappi | Tyypillinen kuvaus |
|---|---|---|
| Enintään 160 kN (16 t tai vähemmän) | W-tyyppi push-pull pin | Yleiset XP-sarjan keski-/matalalaatuiset{0}}eristinjonot |
| Suurempi tai yhtä suuri kuin 210 kN (20 t ja enemmän) | R-tyyppi push-pull pin | Suuret-tonni/raskas-kuorma eristenauhat, vaaditaan korkeampi lukitusvarmuus |
Ball eye linkki
Pallo{0}}pään liitospää sopii ja liitetään hylsyn päähän. Se on pallotangon muotoinen liitososa, jota kutsutaan pallopääksi. Sopiva liitososa on hylsypää. Helmiä, joiden molemmissa päissä on rengas{4}}muotoiset liitososat, kutsutaan ripustusrenkaiksi. Rakenteellisten erojen mukaan ne jaetaanQ-tyyppi, QH-tyyppi, QP-tyyppi.

Pallonivel{0}}jousitusrenkaan rakennekaaviot:
(a) Q-tyyppinen kuulanivel{0}}jousitusrengas; (b) tyyppi QH pallo{1}}niveljousitusrengas; (c) Tyyppi QP pallo{2}}niveljousitusrengas
Q-Type- ja QP{1}}Type Ball Eye -linkkien tekniset parametrit
| Malli | Yhteysmerkki | B (mm) | d (mm) | D (mm) | φ (mm) | H (mm) | Nimellismurtokuorma suurempi tai yhtä suuri kuin (kN) | Paino (kg) |
|---|---|---|---|---|---|---|---|---|
| Q-7 | 16 | 16 | 17 | 33.3 | 12 | 50 | 70 | 0.3 |
| QP-7 | 16 | 16 | 17 | 33.3 | 18 | 50 | 70 | 0.3 |
| QP-10 | 16 | 16 | 17 | 33.3 | 20 | 50 | 100 | 0.3 |
| QP-12 | 16 | 16 | 17 | 33.3 | 24 | 50 | 120 | 0.5 |
| QP-16 | 20 | 20 | 21 | 41.0 | 26 | 60 | 160 | 1.0 |
| QP-20 | 24 | 24 | 25 | 49.0 | 30 | 80 | 200 | 1.0 |
| QP-21 | 20 | 20 | 21 | 41.0 | 30 | 80 | 210 | 1.1 |
| QP-30 | 24 | 28 | 25 | 49.0 | 39 | 100 | 300 | 1.0 |
QH{0}}Type Ball Eye Links:n tekniset parametrit
| Malli | Soveltuva eriste | H (mm) | h (mm) | D (mm) | d (mm) | B (mm) | Nimellismurtokuorma suurempi tai yhtä suuri kuin (kN) | Paino (kg) |
|---|---|---|---|---|---|---|---|---|
| QH-7 | XP-7 | 114 | 57 | 17 | 11 | 16 | 70 | 0.6 |
| QH-10 | XP-10 | 110 | 60 | 17 | 11 | 18 | 100 | 1.1 |
| Ohjeet-12 | XP-12 | 120 | 63 | 17 | 11 | 19 | 120 | 1.3 |
| QH-16S | XP-16 | 155 | 100 | 21 | 17 | 20 | 160 | 1.2 |
| QH-21S | XP-21 | 155 | 100 | 21 | 17 | 20 | 210 | 1.2 |
| QH-25S | XP-25 | 165 | 100 | 25 | 17 | 24 | 250 | 1.8 |
| QH-32S | XP-30 | 175 | 110 | 25 | 17 | 28 | 320 | 2.2 |
| QH-42S | XP-30 | 200 | 120 | 29 | 20 | 32 | 420 | 3.4 |
Mallin nimen selitys: Q- Pallopää; H- Sormus; Numero - Nimellinen murtokuorma; S- Levyjen välinen etäisyys. Esimerkki: Malli QH-7 tarkoittaa pallo-pään ripustusrengasta, jonka nimellinen murtokuorma on vähintään 70 kN; Malli QH-21S tarkoittaa sektorin muotoista elliptistä kuulakärkirengasta, jonka nimellinen murtokuorma on vähintään 210 kN.
Pallohaarukka
Pallohaarukalla (Ball Clevis) on monia rakenteellisia muotoja. Yleisin onQB tyyppija sen laajennetut tyypit. Alla on QB-tyyppisten pallohaarojen rakennekaavio.

QB-tyyppinen pallo{0}}nivelen ripustuslevyrakenne:
(a), (b) Q-×HC-tyyppi; (c) QB-×XY-tyyppi; (d) QB-×XH-tyyppi

Q-×× tyyppinen kuulanivelen asennuslevy:
(a) Rinnakkaispallonivelen asennuslevy, jossa on pyöreät reiät; (b) Sektorin-muotoinen yhdensuuntainen kuulanivelasennuslevy, jossa on pyöreät reiät
Ball Clevisten tekniset parametrit (QB-tyyppi)
| Malli | A (mm) | B (mm) | C (mm) | D (mm) | K (mm) | Pallonpään kokokoodi | Nimellismurtokuorma suurempi tai yhtä suuri kuin (kN) | Paino (kg) |
|---|---|---|---|---|---|---|---|---|
| QB-7Y | 38 | 40 | 45 | 16 | - | 16mm AB | 70 | 0.55 |
| QB-10Y | 40 | 42 | 45 | 18 | - | 16mm AB | 100 | 0.78 |
| QB-12Y | 40 | 44 | 45 | 18 | - | 16mm AB | 120 | 0.80 |
| QB-7YH | 38 | 40 | 45 | 16 | 39 | 16mm AB | 70 | 0.72 |
| QB-10YH | 40 | 42 | 45 | 18 | 42 | 16mm AB | 100 | 0.98 |
| QB-12YH | 40 | 44 | 45 | 18 | 42 | 16mm AB | 120 | 1.20 |
Mallin nimen selitys: Q- Pallopää; B- Asennuslevy; Y- Laajennettu tyyppi; H- Sormus; Tavuviivan jälkeen oleva numero ilmaisee nimellisen murtokuorman. Esimerkki: Malli QB-7YH tarkoittaa pallo-päätä, rengastyyppistä pidennettyä asennuslevyä, jonka nimellinen murtokuorma on vähintään 70 kN.
Yllä mainitun Ball eye -linkin lisäksi monet kiinnitysvalmistajat suunnittelevat lisää Ball eye -linkkejä asennustarpeita varten. Ball eye -linkkejä suunnitellessa ja valittaessa on pyrittävä välttämään kokoonpanomenetelmiä, joissa liitoskohta tuottaa pistekosketuksen, mikä aiheuttaa jännityskeskittymistä.
Pallosilmälenkki koukulla tai renkaalla
Se on pallopäästä ja koukusta koostuva liitoskappale, joka voidaan ripustaa suoraan poikki-varren vetolevyyn tai liittää poikkivarren U-pultilla.
Soikealla renkaalla varustetun Ball eye -linkin etuna on, että sitä voidaan käyttää liittämiseen U-pultilla, jossa on laippa (vahvistus), kun taas yleistä Ball eye -linkkiä ei voi yhdistää laipalliseen U-pulttiin. Nostaminen ja purkaminen ovat myös kätevämpiä, ilman muttereita ja suljettuja-päätytappeja. Käyttöturvallisuuden varmistamiseksi koukussa tulee kuitenkin olla lukituslaite. Mutta kun kiristyseristenauha käyttää tämäntyyppistä ripustusrengasta, yli-vetoetäisyys on suurempi kuin yleisten liitososien.

Kaavio pallo{0}}pään ripustusrengasrakenteesta koukulla tai silmukalla:
a) ripustusrengas koukulla; (b) Pallo{0}}pään ripustusrengas yhdensuuntaisella silmukkareiällä.
Renkaiden pallosilmälenkkien tekniset parametrit (rinnakkaisrenkaan reikätyyppi)
| Malli | L1 (mm) | L2 (mm) | L3 (mm) | S (mm) | D1 (mm) | D2 (mm) | d (mm) | Nimellismurtokuorma suurempi tai yhtä suuri kuin (kN) | Paino (kg) |
|---|---|---|---|---|---|---|---|---|---|
| Q-7M | 40 | 136 | 55 | 20 | 16 | 33.3 | 14 | 70 | 1.1 |
| Q-12M | 40 | 145 | 70 | 24 | 16 | 33.3 | 14 | 120 | 1.3 |
| Q-12AH | 42 | 145 | 70 | 22 | 18 | 33.3 | 14 | 120 | 1.2 |
| Q-20M1 | 56 | 145 | 65 | 30 | 20 | 41.0 | 14 | 200 | 1.4 |
Q - Pallon pää; "-", jota seuraa numero - Nimellinen murtokuorma; Lisäkirjaimet (poikkeavat standardista DL/T 683-2010, nämä ovat valmistajan merkintöjä): M - koukulla, H - silmukalla, A - pitkä.
Esimerkki: Malli Q-7M osoittaa kuulapään ripustuspuristimen koukulla (rinnakkaissilmukkatyyppinen), jonka nimellinen murtokuorma on vähintään 70 kN.
Muita ripustuskiinnittimien kanssa käytettäviä pallosilmukoita ovat U-muotoiset pallosilmukat, jotka yleensä sisältävät ei--kulma-välityypin (QU-×× tyyppi) ja kulma{0}}rako-asennus-reiän tyyppi (QU-×H tyyppi). Tämän tyyppisen tuotteen suljettu päätytappi on valmistettu ruostumattomasta teräksestä, ja loput ovat kuumasinkittyjä teräsosia.

U-kuulanivelen rakennekaaviot:
(a) QU-××-tyyppi (ilman kulmaväliä); (b), (c) QU-×H tyyppi (kulmavälys asennusreiät)
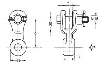
Pistorasia
Pistorasia koostuu hylsypäästä ja yksi-/kaksihaaralevystä, ja se on tyypillinen Erikoisliitos, joka sopii suoraan eristeteräskannen hylsyn päähän.
W tyyppion yksi-linkki Socket clevis
WS tyyppion double{0}}link Socket clevis
Rumpu-tyyppiä W Pistorasiahaaraa käytetään parantamaan pultin taivutusta ja uraliitoksen kulumista (yleisiä johdannaisia, kutenW, WS, WSH)
Single{0}}link Socket clevis (W-tyyppi) sopii eristemalliinXP-70, ja ne voidaan varustaa kaaritorveilla. Pistorasiaa käytetään vain paikoissa, joissa eristimet on kytketty suoraan, eikä sitä voida käyttää muihin tarkoituksiin.
ZHX ripustusrenkaat
ZHX-riippurenkaita käytetään enimmäkseen yhdessä ripustuskiinnikkeiden kanssa, ilmajohtoihin, jakelulinjoihin ja sähköasemeihin johtimien ja maadoitusjohtojen kiinnittämiseen pylväisiin ja torneihin.
Suljetun -pään tappi on valmistettu ruostumattomasta teräksestä, ja loput ovat kuumasinkittyjä teräsosia. Yleisiä malleja ovat mmZHX-15B, ZHX-20B, ZHX-25B, ZHX-25M.

ZHX riippurenkaan rakennekaavio
Tangon pään pallonivel
Tangon pään kuulanivel on kaksois-kuula-, jota käytetään kahden pistorasian (eristeteräskannen pistorasian) yhdistämiseen, kuten kahden sauvan eristimen keskinäiseen liittämiseen, jota käytetään yleensä korkeajännitteisissä testisaleissa.

QS-tyyppinen kuulanivel ja kiertokangen rakenteen mitat ja asennuskaavio:
(a) Rakennemittojen kaavio; (b) Asennuskaavio
Asennus ja yleiset virheet
Vakioasennusvaiheet
Tasaus
Varmista, että eristenauha roikkuu luonnollisesti ja että liitoskohdat ovat koaksiaalisesti kohdakkain.
Kuulapään pakottaminen ilman kohdistusta on kielletty, koska se voi helposti aiheuttaa hylsyn aukon muodonmuutoksia, kuulapään paikallista puristumista jne.
Aseta kuulapää/hylsypää
Kun kuulapää on asetettu hylsyn päähän, sen tulee saavuttaa suunniteltu asemointisyvyys. Jos "tukos tai puoli{1}}lisääminen" tapahtuu, tarkista ensin purseiden, vieraiden esineiden ja kohdistusvirheiden varalta. Älä kolhi tai iske rajusti.
Asenna lukitustappi
Eri tapeilla on erilaiset hyväksymisstandardit:
Push{0}}vetotappi (W-tyyppi / R-tyyppi) hyväksymisstandardi
Kun tapin runko on kulkenut reikäasennon läpi, sen on mentävä kokonaan lukitusasentoon
Kun työntö-vetotoiminto on suoritettu, nastan tulee olla luotettavasti paikoillaan ilman puoli-kiinnitystä tai palautusta
Split pin hyväksymisstandardi
Asennuksen jälkeen jalat on avattava kokonaan ja lukituksen on oltava luotettava
Yleinen virhe on, että halkaistuja jalkoja ei avata, jolloin se näyttää asennetulta, mutta ei itse asiassa lukittu
Suljetun-päätynastan hyväksymisstandardi
Asennuksen jälkeen sen pitäisi automaattisesti avautua ja lukkiutua ilman toissijaista taipumista
Varmista samalla, että lukituspää on täysin auki väärän lukituksen estämiseksi
Tarkista uudelleen
Pyörimistarkastus: liitoskohdan tulee pyöriä joustavasti pienessä kulmassa, eikä se saa olla jäykkä tai juuttunut
Istuintarkastus: lukitustapin pääteasento on oikea eikä löysällä
Häiriötarkistus: ei häiriöitä haarukkalevyille, puristimille, tasoitusrenkaille, kaariliittimille, painumisliittimille jne.
Vältä pistekosketusta, joka aiheuttaa stressin keskittymistä
Pallo{0}}ja
Paikallinen stressin keskittyminen
Suurempi kulumisen, muodonmuutosten ja halkeamien riski pitkän{0}}käytön jälkeen
Äärimmäisissä tapauksissa yhteys voi epäonnistua
On suositeltavaa valita pintakosketus / järkeviä kosketusmenetelmiä mahdollisimman paljon ja välttää liitosyhdistelmiä, joissa on "huono limitys ja epäkeskinen kulumiskuormitus".
Yhteenvetotaulukko yleisistä virheistä
| Yleinen virhe | Ulkonäön ominaisuudet | Tärkeimmät seuraukset | Oikea menetelmä |
|---|---|---|---|
| Lukitustappi puuttuu | Lukitustappi puuttuu ulkonäöltään | Helppo liukua pois tärinän/tuulen poikkeaman vaikutuksesta, erittäin suuri onnettomuusriski | Tarkista piste{0}}pisteeltä- tarkistuslistan mukaan kokoonpanon jälkeen |
| Pinta ei ole täysin paikoillaan (puoli{0}}lisäys) | Näyttää sisäänrakennetulta, mutta ei lukitulta | Voi pudota pois pitkän{0}}latauksen jälkeen | On tarkistettava lukitus-pääteasento ja vahvistettava "täysin istuva" |
| Jakotappia ei avattu / riittämätön aukko | Halkaistut jalat lähellä toisiaan tai vain hieman auki | Vastaa "väärä lukitusta" | Avaa määritettyyn kulmaan asettamisen jälkeen ja tarkista uudelleen |
| W/R-tyyppi ei täsmää | W:n käyttäminen raskaaseen tonnimäärään tai epäsopimattomuuteen | Riittämätön lukitusvarmuus, helppo väsymisvika | Vähemmän tai yhtä suuri kuin 160 kN käyttö W, suurempi tai yhtä suuri kuin 210 kN käyttö R (lopullinen vahvistus piirustusten mukaan) |
| Pakotettu asennus väärin kohdistetun pistorasian alle | Vaatii kovaa koputusta istuakseen | Istuimen aukon muodonmuutos, kuulapään murskaus, varhainen kuluminen | Kohdista ensin koaksiaalisesti, poista este ja asenna sitten |
| Pistekosketin / epäkeskokuormakokoonpano | Pieni kosketuspinta, epätasainen kuormitus | Stressin keskittyminen, epäkesko kuluminen, halkeamisriski | Suosi pintakosketusta / järkeviä saranoituja yhdistelmiä |
| Sinkkipinnoitteen vaurioita ei ole käsitelty | Naarmut paljastavat rauta-, ruostepisteitä | Nopeutettu korroosio, lyhentynyt käyttöikä | Korjaa sinkkipinnoite spesifikaatioiden mukaan tai vaihda |
| Sekamallit yhdessä ketjussa | Epäjohdonmukaiset liittimet samassa merkkijonossa | Epätasainen kuormitus, asennuksessa piileviä riskejä | Sekoitus ehdottomasti kielletty; yhdistä erä / standardi |
FAQ
K: Mitä eroa on Q:lla ja QP:llä? Mitä liitäntämerkit 24/20 tarkoittavat?
V: K: Alkuperäinen sarja Ball eye -linkkimalli, liitäntämerkki yleensä 24
QP: Uusi sarjamalli, yleensä tasokosketinrakenteella (P), liitäntämerkki yleensä 20
Olennainen ero näiden kahden välillä on sarjastandardi ja liitosrakenteen kokotunniste. Valinnan aikana sen on vastattava eristimen pään liitäntämittoja.
K: Mitä etuja rumpu{0}}tyyppisestä Socket-liittimestä on?
V: Parantaa pultin taivutusolosuhteita uraliitoksissa
Vähentää epäkesko- ja paikallista kulumista
Soveltuu paremmin pitkäaikaisiin-värähtelyyn, epäkeskiseen kuormitukseen tai kulumisalttiisiin-työolosuhteisiin
K: Kuinka valita Q, QP, QH, QS? Kumpi on suunnittelussa suositeltavampi?
V: Valitse yhteystavan, kuormitustilan ja{0}}paikan päällä tapahtuvan asennuksen mukavuuden perusteella:
K: Yleinen liitäntä, yleisin eristinjonoissa
QP: Korostaa yleensä tasokontaktia ja rakenteellista optimointia, sopii kokoonpanoille, jotka hakevat vakaampaa kuormitusta
QH (renkaalla): Soveltuu paremmin rengas{0}}päätyliitäntään, kätevään nostoon tai yhdistelmiin tiettyjen liitosten kanssa
QS: Enemmän kuvastaa väli/levyvälin ominaisuuksia, joita käytetään tiettyjen asennustila- tai yhdistelmävaatimusten täyttämiseen
Suositukset:
Suosi yhdistelmiä, joissa on tasaisempi voima ja vältetään pistekosketusta
Minimoi pistekosketuksen ja epäkeskisen kuormituksen aiheuttama jännityskeskittymä mahdollisimman paljon